|
mouse
|
 |
« on: January 07, 2012, 05:21:58 PM » |
|
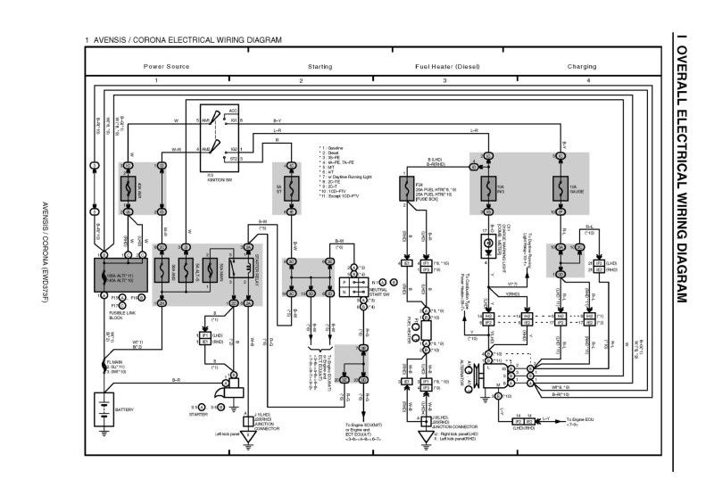
I'm going to be converting my goldwing to a car alternator i have the alternator which come off a 1999 Toyota avensis its a Bosch i cant get my head round the wiring below you Will see pics of my alternator also what i believe to be the correct wiring diagram can somebody tell me which of the 3 wires on the alternator goes where ? thanks mick  i need some clever people help :) alternator wiring  i need some clever people help :) alternator wiring  i need some clever people help :) alternator wiring
|
|
|
|
|
Logged
|
Mousy Boy :-) AKA Mick 
|
|
|
|
spanners
|
 |
« Reply #1 on: January 07, 2012, 06:09:50 PM » |
|
just off the top of my head
big bolt on terminal == battery positive.
out of the 3 small wire,s red should be positive controlled by ign switch.
and out of the other 2 one will be ign warning(charge ) light and the other tacho ,,rev counter..
but double check this as this is as i said off the top of my head from memory..
|
|
|
|
|
Logged
|
LIVE FAST and DIE YOUNG,, past 50 AND STILL HERE NOW. WAITING. FOR. THE. GRIM. REAPER
|
|
|
|
Cabman77
|
 |
« Reply #2 on: January 07, 2012, 06:56:42 PM » |
|
don`t forget that will have a reg/rec built into it so the one on the bike is now u/s. and surplus to requirements
|
|
|
|
|
Logged
|
..........and Joshua entered Jericho on his Triumph..............
|
|
|
|
terry t
|
 |
« Reply #3 on: January 07, 2012, 07:03:16 PM » |
|
Hi mouse. 1st you goldwing trike looks real good. you might have to to a bit more wiring on your 1200 to fit the alternator. goldwing charging circuts have a 3 phase ac alternator stator that goes to a rectifier. that converts to dc. the regulator maintains the voltage to the battery and lights etc there is three wires that come from the stator to the rectifier.then splits to the battery through the regulator to the lights.
|
|
|
|
|
Logged
|
|
|
|
|
tbone
|
 |
« Reply #4 on: January 07, 2012, 08:07:45 PM » |
|
Hiya Mick, numbers from the alternator would be useful, but as a first guess, the yellow wire is for the ign lamp, the other 2 are possibly feeds out. Terry is of course spot on with his description but you should get away with just disconnecting them. I assume your fitting a pulley to the end of the crank to drive the alternator?
|
|
|
|
|
Logged
|
NO I WON`T. aye ok then, i will
|
|
|
|
mouse
|
 |
« Reply #5 on: January 08, 2012, 08:53:00 AM » |
|
first off thanks to every one for the input and help i appreciate it Tbone theres a lot of numbers on the alternator 27060-03070 and 2698/866 and yes i will be putting a pulley on the end of the crank shaft where the timing belts are fitted i will be taking pics as i do it but this job is cued got other things to do first lol just collating all the info before i start the job
|
|
|
|
|
Logged
|
Mousy Boy :-) AKA Mick 
|
|
|
|
tbone
|
 |
« Reply #6 on: January 08, 2012, 09:59:53 AM » |
|
Tis a battery sensed unit Mick. One wire needs to go direct to the battery from the S terminal, this wire measures (senses) the voltage at the battery. One wire to the lamp from the L terminal. One wire is fed from the ignition switch to the IG terminal.
|
|
|
|
« Last Edit: January 08, 2012, 10:10:56 AM by tbone »
|
Logged
|
NO I WON`T. aye ok then, i will
|
|
|
|
terry t
|
 |
« Reply #7 on: January 08, 2012, 10:00:21 AM » |
|
|
|
|
|
|
Logged
|
|
|
|
|
mouse
|
 |
« Reply #8 on: January 08, 2012, 11:09:12 AM » |
|
you guys are the dogs danglies thanks 
|
|
|
|
|
Logged
|
Mousy Boy :-) AKA Mick 
|
|
|
|
mouse
|
 |
« Reply #9 on: January 10, 2012, 03:58:17 PM » |
|
i got the pulley fitted today to the end of the crankshaft while i was waiting for other parts to turn up in the post had to turn a small bush and spacer up to make the pulley fit and use a 1 inch longer bolt  i need some clever people help :) alternator wiring
|
|
|
|
|
Logged
|
Mousy Boy :-) AKA Mick 
|
|
|
|
mouse
|
 |
« Reply #10 on: January 20, 2012, 05:53:56 PM » |
|
alternator ready for the belt  i need some clever people help :) alternator wiring  i need some clever people help :) alternator wiring
|
|
|
|
|
Logged
|
Mousy Boy :-) AKA Mick 
|
|
|
|
terry t
|
 |
« Reply #11 on: January 20, 2012, 08:03:08 PM » |
|
Hi mouse. that alternator looks just right there. are you going to use this for the main charging unit on the goldwing.or for back up battery for running lights etc
|
|
|
|
|
Logged
|
|
|
|
|
mouse
|
 |
« Reply #12 on: January 20, 2012, 09:27:51 PM » |
|
Hi mouse. that alternator looks just right there. are you going to use this for the main charging unit on the goldwing.or for back up battery for running lights etc
its the main charging unit mate its a 70 amp alternator so it should power up all the electrics n lights The alternators off a full loaded Toyota avenis electric everything on it
|
|
|
|
|
Logged
|
Mousy Boy :-) AKA Mick 
|
|
|
|
spanners
|
 |
« Reply #13 on: January 20, 2012, 09:44:42 PM » |
|
|
|
|
|
|
Logged
|
LIVE FAST and DIE YOUNG,, past 50 AND STILL HERE NOW. WAITING. FOR. THE. GRIM. REAPER
|
|
|
|
mouse
|
 |
« Reply #14 on: January 21, 2012, 08:46:01 AM » |
|
|
|
|
|
|
Logged
|
Mousy Boy :-) AKA Mick 
|
|
|
|